 |
 |
Antena spiralna-szerokopasmowa, zwykle stosowana podczas rejestracji promieniowania radiowego Słońca na częstości 300 MHz.
 |
|   |
Radioteleskop III Opis radioteleskopu (dokument PDF ). |
 |
K: konwerter, Z: zwierciadło, Dł: dławik, F: wykrywacz satelitarny, V: woltomierz cyfrowy lub komputer z kartą analogowo-cyfrową, S: samopis
 Krzywa cechowania radioteleskopu III.
 Przejście Słońca przez pole widzenia anteny radioteleskopu.
 Szum obserwowany na oscyloskopie.
|
|   |
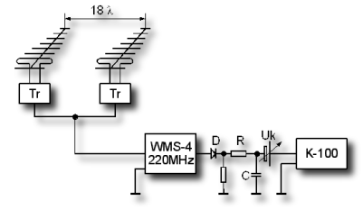
Radioteleskop II (z antenami w układzie interferometru)
antena wschodnia
antena zachodnia Dokładny opis radioteleskopu (dokument PDF ). |
 |
| Tr: transformatory dopasowujące, WMS-4: mikrowoltomierz selektywny firmy INCO, RC: obwód całkujący, Uk: układ kompensacji napięcia stałego pochodzącego od szumów własnych aparatury, K-100: samopis |
|   |
Radioteleskop I |
 |
| A: antena "długa Yagi", 9 elementów, K: kontaktron odłączający antenę co ok. 6 min. dla ustalenia "zera" układu, RC: obwód całkujący, D.N.: układ kompensacji napięcia stałego pochodzącego od szumów własnych aparatury, R: samopis |
|
PHP: T. Pieńkos |
Data ostatniej modyfikacji: 24-03-2025, Nawigacja: Wstecz,
Do góry,
Start
|